AT5同步帶輪_標準_規格_型號_設計_計算
AT5同步帶輪產品特點
AT5同步帶輪與AT5同步帶配套,具有傳動準確、平衡、噪音小、無滑差又節能的特點,而且結構緊湊,宜于多軸傳動、耐油、耐潮、不需要潤滑等有點。
AT5同步帶輪使用材質
碳素鋼、鑄鐵、鋁合金、工程塑料及特種材質。AT5同步帶輪定制須知
1、本公司生產的帶輪既為國產化設備的AT5同步帶輪配套,又能代替進口AT5同步帶輪使用。2、用戶定制AT5同步帶輪,請提供AT5同步帶輪圖紙(圖在可不必繪制帶輪的齒型尺寸),本公司也可按用戶提供的規格,內孔,鍵槽寬度等尺寸為用戶繪制AT5同步帶輪圖紙;也可為用戶提供測繪AT5同步帶輪等服務。
3、AT5同步帶輪的外徑公差、端面跳動量、徑向跳動量符合帶輪設計表規定。
4、AT5同步帶輪的同步帶選用帶輪齒面寬度須符合帶輪設計表規定要求。
5、附表中沒有列出的帶輪規格,本公司也可生產,詳細請咨詢網站客服或者來電:18929357195
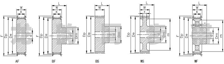
AT5同步帶輪常見形狀
注:以上是AT5同步帶輪說明,具體型號規格請聯系網站客服或者電話咨詢18929357195
iHF齒輪21年只做一件事精密齒輪制造—同步帶輪—同步帶,生產廠家標準件大量庫存當天發貨價格優質保障,集研發.生產.服務一體化,版權所有:http://m.95wood.cn轉載請注明出處
- 讓同步帶輪不會發熱的知識點,您要了解嗎?
- 附近的齒輪加工廠電話 189-2935-7195
- 同步帶輪htd型(圓弧形齒)選型圖
- 使用同步帶輪傳動的特點
- 現代數控機床采用同步帶輪傳動如何控制機床的噪音?
- 用戶最好是購買知名廠家制造的材質質量好尺寸精準的同步帶輪
- 同步帶輪的使用壽命由哪些方面影響的呢
- 對于同步帶輪的成本應該如何控制
- 同步帶輪也需要維護
- 同步帶輪:將力量分散處理
聯系iHF齒輪
18929357195
售后電話:0755-27746221
客服QQ:2850623673
郵箱:2850623673@qq.com
地址:深圳市龍華新區大浪創藝路16號安宏基工業園C棟


